EH2807-A135 短按3S延时芯片
一.功能说明
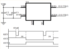
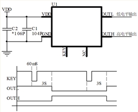
EH2807为短按延时3秒开关芯片;
一路开关输入控制两路电平信号同步输出(可二选一),上电OUTL为高电平,OUTH为低电平。触发一下按键输出无动作,延时3秒后电平翻转开始输出,即OUTL输出低电平,OUTH输出高电平。再次触发同样延时3秒翻转,依次循环,延时3秒过程中短按有效。
二.极限参数
Absolute Maximum Ratings
Voltage applied at VDD to VSS .........................................................- 0.3V to 6.0V
Voltage applied at any pin to VSS......................................................- 0.3V to VDD+0.3V
Operating ambient temperature.....................................................-40°C to 85°C
Storage ambient temperature ........................................................ -40°C to 125°C
三.电气参数
工作电压:2.4V-5.0V;
工作电流:3uA;
静态电流:3uA;
驱动电流低电平输出:14mA;
驱动电流高电平输出:6mA;
过VDD极限电流:50mA;
过GND极限电流:6mA;
工作温度:-40摄氏度-+85摄氏度;
储存温度:-40摄氏度-+125摄氏度;
*C2电容可根据电源实际需要调整或省略
推LED应用图参考
五.封装尺寸图
六.版本说明:


长按3秒开长按1秒关延时芯片
触发10秒延时开关机芯片
EH3B05延时0.5-1-3秒开机芯片
EH5302延时3秒开关芯片
EC250312按键换段开关芯片
ECJ231052 双路10秒延时开关芯片
9E80-5177 60秒延时芯片
ECJ5031 4-5秒定时芯片
ECJ5040 60-90-120秒定时芯片
EH3501延时芯片
电话咨询
产品中心
联系丽晶微
网站地图