用“芯”服务丽晶微15年专注于ASIC行业

首页 触发开关IC芯片

触发10秒延时开关机芯片

触发10秒延时开关机芯片触发10秒延时开关机芯片

产品简介

ECJ231040-151A-2B5B长按10秒开关芯片 一.功能说明 一个按键Key控制一路输出Out; 上电不工作,Out输出高电平,长按Key10秒,Out输出低电平,松开Key,Out恢复输出高电平。

产品详情

ECJ231040-151A-2B5B长按10秒开关芯片

一.功能说明

一个按键Key控制一路输出Out;

上电不工作,Out输出高电平,长按Key 10秒,Out输出低电平,松开Key,Out恢复输出高电平。

二.电气参数VDD=5.0V TA=25

三.封装脚位图SOT23-6

SOT23-6延时开关芯片

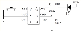
四.电路图参考:

六角贴片开关电源芯片

.封装尺寸图:

SOT23-6封装尺寸图

六.版本说明:


我要下单

  • 姓名
  • 手机
  • 留言

网友热评

返回顶部