EH3B05-4941-24A1上电延时开关芯片
一.功能说明
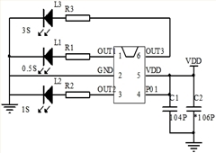
供电方式:VDD=3.3V。三路(OUT1.OUT2.OUT3)信号输出高电平有效。
OUT1上电低电平;0.5秒后变为高电平一直输出。
OUT2上电低电平;1秒后变为高电平一直输出。
OUT3上电低电平;3秒后变为高电平一直输出。
二.极限参数
Voltage applied at VDD to VSS .............................- 0.3V to 3.8V
Voltage applied at any pin to VSS.........................0.2V to VDD+0.3V
Operating ambient temperature.........................-20°C to 80°C
Storage ambient temperature .......................... -40°C to 125°C
三.电气参数(VDD=3.0V TA=25℃)
四.封装脚位图(SOT23-6)
推LED应用图
*C2电容可根据电源实际需要调整或省略
五.封装尺寸图(SOT23-6)
六.版本说明



上电延时开关机芯片
9E80-5177 60秒延时芯片
ECJ5031 4-5秒定时芯片
ECJ5040 60-90-120秒定时芯片
EH3501延时芯片
电话咨询
产品中心
联系丽晶微
网站地图