新浪微博|微信关注微信关注| 收藏本站| 在线留言| 网站地图

您好,欢迎来到深圳市丽晶微电子科技有限公司官网!

丽晶微

用“芯”服务丽晶微15年专注于ASIC行业

全国定制热线: 0755-29100085

    EH2802太阳能喷泉灯控制芯片

    EH2802-C314-DF1F 太阳能喷泉灯控制芯片,3.7V 锂电 + 8V 太阳能双供电,9 种灯光模式 + 1 小时定时,水检测 + 断电记忆,喷水亮灯一体方案 供电电压DC=3.7V,1200mAh锂电池,充电电压5V,太阳能板供电电压8V/1A。 太阳能充电时为两种状态:(白天可以一边充电一边喷水,晚上也可以继续喷水),具体如下说明:

    全国服务热线:0755-29100085
    立即咨询

    EH2802-C314-DF1F 太阳能喷泉灯控制芯片

    一、功能说明

    供电电压DC=3.7V,1200mAh锂电池,充电电压5V,太阳能板供电电压8V/1A

    太阳能充电时为两种状态:(白天可以一边充电一边喷水,晚上也可以继续喷水),具体如下说明:

    SW1键为总开关,长按关机后所有LED和马达不工作太阳能只给电池充电。长按开机,开机后操作功能如下。

    1.太阳能直接给电机供电,喷泉灯喷水,有太阳时,上部闪灯不工作。

    2.同时给电池充电,此时电池处于充电状态不输出电压。当没有阳光时,CPU检测到没有阳光的信息,转换为由电池给电机供电,并同时继续喷水,此时顶部灯光开始闪烁发光。底部灯也开始工作,按动模式开关可选择需要的灯光状态(如下灯光模式说明)

    3.注:机器放入水中时才启动喷水和上面灯工作点亮,离开水时整机不工作。放入水中继续工作。

    4.下半部灯模式可以在没有水检测情况下工作(因为要选择灯模式,在岸上操作和在水里面均要可以操作)

    SW1: 灯光控制键: 待机时,按第一下,灯光模式1工作. 按第二下,灯光模式2工作,按第三下,灯光模式3工作。。。按第循环快闪再按一下按键,返回第一模式红灯亮,依次循环。闪法如下

    第一次短按灯光键:红灯常亮

    第二次短按灯光键:绿灯常亮

    第三次短按灯光键:蓝灯常亮

    第四次短按灯光键:灯常亮

    第五次短按灯光键:灯常亮

    第六次短按灯光键:天蓝常亮

    第七次短按灯光键:紫常亮。

    次短按灯光键:-绿-蓝-白-黄-天蓝-紫,循环慢闪。

    次短按灯光键:-绿-蓝-白-黄-天蓝-紫,循环快闪。

    次短按灯光键:返回第一模式红灯亮。

    长按3秒关机,带不断电记忆,记忆关机前模式。

    定时功能:上电默认定时1小时,1小时后关闭喷泉马达,所有LED灯保持工作。中途触发按键换模式、水泵离开水再放入水、光控从有光到无光都会重新定时。有低电检测,当电池供电时电压低于3.4V,所有负载停止工作,必须经过白天给电池充电后才可激活。

    二、电气参数VDD=5.0V TA=25

    工作电压:3.0V-5.0V;

    工作电流:1.6mA;

    静态电流:3uA;

    驱动电流低电平输出:30mA;

    驱动电流高电平输出:20mA;

    VDD极限电流:50mA;

    GND极限电流:50mA;

    工作温度:-10摄氏度-+70摄氏度;

    储存温度:-20摄氏度-+150摄氏度;

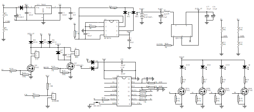
    三、电路图参考:

    太阳能控制器芯片    四封装尺寸图:

    SOP-14单片机MCU方案开发

    五.版本说明:

    版本

    日期

    描述

    EH3802-C014-E0E3

    2023/10/14

    V01初版

    EH3802-BE20-DFA9

    2023/10/24

    V02改1小时定时

    EH2802-C314-DF1F

    2023/1/22

    V03



    丽晶微定制案例

    丽晶微芯片定制案例之遥控七彩潜水灯

    丽晶微芯片定制案例之遥控七彩潜水灯

    深圳市某电子有限公司的李经理想开发一款遥控七彩闪灯IC芯片,用在户外七彩潜水灯产品上面,之前李先生找到其他芯片定制的公司,未能达到理想的功能要求,后来找到了丽晶微电子。在业务与李经理的详细沟通后了解到,其之前定制开发的样品经测试,芯片静态功耗太大.....查看详情》》

    丽晶微芯片定制案例之遥控电子蜡烛系列

    丽晶微芯片定制案例之遥控电子蜡烛系列

    惠州市某电子科技公司的刘经理想定制一批遥控电子蜡烛IC芯片,惠州市某电子公司专业研发生产销售室内电子蜡烛,室外电子蜡烛,遥控定时电子蜡烛等多种电子蜡烛系列产品。随着出口市场竞争压力越来越大,刘经理在与多家芯片定制的公司合作后.....查看详情》》

    微信图片_20180904191334

    丽晶微产品定制流程

     

    深圳市丽晶微电子科技

    丽晶微公司优势

    15年来拥有丰富的IC行业经验

    15年来拥有丰富的IC行业经验

    丽晶微创立于2002年,拥有一批技术精湛的的技术骨干,以及有着丰富经验的电路设计团队和专业创新能力高科技人才;工厂设备齐全,实力雄厚

    专业品质,按需定制

    专业品质,按需定制

    研发团队会根据您的需求,提供一整套按需定制的解决方案,在技术上保证产品品质、稳定性、可靠性,能更好的解决客户产品遇到的技术服务问题

    从源头把控产品品质

    从源头把控产品品质

    台湾资深程序设计师全程电路设计,每一线路的放置都考虑他的稳定可靠性,内置多重电路保护,微安级别的待机功耗;同时与QVC、PLG、迪斯尼等代工厂的芯片材料供应商强强联手

    快速响应式跟踪服务

    快速响应式跟踪服务

    完善服务体系,高效,优质的为客户提供全程技术跟踪服务;7*24小时贴心服务,免费提供技术指导,帮助客户解决产品问题,降低生产成本

     

    走进丽晶微

    深圳市丽晶微电子科技有限公司

    作为早期成立的从事半导体器件设计制作的企业之一,专注从事模拟电路及数字模拟混合电路开发设计的高技术企业,
    主要专业从事CMOS消费类IC:闪灯IC,音乐IC,语音IC,红外线遥控类,LED控制类驱动类、电源管理类集
    成电路产品以及MCU类的设计研发和销售的企业,提供标准品类和客户委托开发MASK.....

    【查看详情】


    采购:EH2802太阳能喷泉灯控制芯片

    • *联系人:
    • *手机:
    • 公司名称:
    • 邮箱:
    • *采购意向:
    • *验证码:验证码

    跟此产品相关的产品 / Related Products

    联系丽晶微
    服务热线:

    0755- 29100085

    传真:0755- 29100092

    手机:18922800392

    服务邮箱:szecm@163.com

    地址:深圳市宝安区沙井新桥街道上星路万科星城商业中心2栋写字楼402-405室

    深圳市丽晶微电子科技有限公司 备案号:粤ICP备14018692号
    全国服务热线: 0755-29100085 QQ:481892642
    传真: 0755- 29100092 邮箱:szecm@163.com
    公司地址:广东省深圳市宝安区沙井新桥街道上星路万科星城
    商业中心2栋写字楼402-405室
    工厂地址:深圳市宝安区福永镇福海工业区A区A4栋3楼

    二维码