EH2730-A948工业级长按1-5秒开关机芯片 四路按键(KEY1、KEY2、KEY3、KEY4)输入控制,两路信号同步输出(可二选一)。上电状态OUTL为高电平、OUTH为低电平。 KEY1键:长按1秒,OUTL低电平输出、OUTH高电平输出,再长按1秒电平翻转,OUTL低电平翻转为高电平、OUTH高电平翻转为低电平,依次循环。
EH2730-A948长按1-5秒开关机芯片
一.功能说明
四路按键(KEY1、KEY2、KEY3、KEY4)输入控制,两路信号同步输出(可二选一)。上电状态OUTL为高电平、OUTH为低电平。
KEY1键:长按1秒,OUTL低电平输出、OUTH高电平输出,再长按1秒电平翻转,OUTL低电平翻转为高电平、OUTH高电平翻转为低电平,依次循环。
KEY2键:长按2秒,OUTL低电平输出、OUTH高电平输出,再长按2秒电平翻转,OUTL低电平翻转为高电平、OUTH高电平翻转为低电平,依次循环。
KEY3键:长按3秒,OUTL低电平输出、OUTH高电平输出,再长按3秒电平翻转,OUTL低电平翻转为高电平、OUTH高电平翻转为低电平,依次循环。
KEY4键:长按5秒,OUTL低电平输出、OUTH高电平输出,再长按5秒电平翻转,OUTL低电平翻转为高电平、OUTH高电平翻转为低电平,依次循环。
只用一个按键时,其它按键可悬空。
二.极限参数
Absolute Maximum Ratings
Voltage applied at VDD to VSS .........................................................................................- 0.3V to 6.0V
Voltage applied at any pin to VSS............................................................................- 0.3V to VDD+0.3V
Operating ambient temperature.......................................................................................-40°C to 85°C
Storage ambient temperature ....................................................................................... -40°C to 125°C
三.电气参数
	 
	 
						参数 
					 
						符号 
					 
						最小值 
					 
						典型值 
					 
						最大值 
					 
						单位 
					 
						条件 
					 
						工作电压 
					 
						VDD 
					 
						2.4 
					 
						3.0 
					 
						5.0 
					 
						V 
					 
						  
					 
						工作电流 
					 
						IOP 
					 
						  
					 
						5 
					 
						  
					 
						uA 
					 
						  
					 
						静态电流 
					 
						ISTB 
					 
						  
					 
						5 
					 
						  
					 
						uA 
					 
						VDD=3.3V 
					 
						驱动电流低电平输出 
					 
						IOL 
					 
						  
					 
						14 
					 
						  
					 
						mA 
					 
						VDD=5.0V,VOL=0.7V 
					 
						驱动电流高电平输出 
					 
						IOH 
					 
						  
					 
						6 
					 
						  
					 
						mA 
					 
						VDD=5.0V,VOH=VDD-0.7 
					 
						过VDD极限电流 
					 
						IVDDmax 
					 
						  
					 
						  
					 
						50 
					 
						mA 
					 
						  
					 
						过GND极限电流 
					 
						IGNDmax 
					 
						  
					 
						  
					 
						50 
					 
						mA 
					 
						  
					 
						工作温度 
					 
						TA 
					 
						-40 
					 
						25 
					 
						85 
					 
						℃ 
					 
						  
					 
						储存温度 
					 
						Tstg 
					 
						-55 
					 
						25 
					 
						90 
					 
						℃ 
					
		
			
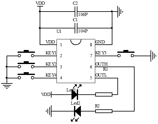
四.封装脚位图 
				 
			
					 
				
					 
				
					 
				
					 
				
					 
				
					 
				
					 
			
				 
			
					 
				
					 
				
					 
				
					 
				
					 
				
					 
				
					 
			
				 
			
					 
				
					 
				
					 
				
					 
				
					 
				
					 
				
					 
			
				 
			
					 
				
					 
				
					 
				
					 
				
					 
				
					 
				
					 
			
				 
			
					 
				
					 
				
					 
				
					 
				
					 
				
					 
				
					 
			
				 
			
					 
				
					 
				
					 
				
					 
				
					 
				
					 
				
					 
			
				 
			
					 
				
					 
				
					 
				
					 
				
					 
				
					 
				
					 
			
				 
			
					 
				
					 
				
					 
				
					 
				
					 
				
					 
				
					 
			
				 
			
					 
				
					 
				
					 
				
					 
				
					 
				
					 
				
					 
			
				 
		
	
					 
				
					 
				
					 
				
					 
				
					 
				
					 
				
				 
			
	 
 
| 管脚号 | 符号 | 功能描述 | 
| 1 | VDD | 电源正 | 
| 2 | KEY1 | 触发开关1 | 
| 3 | KEY2 | 触发开关2 | 
| 4 | KEY4 | 触发开关4 | 
| 5 | OUTL | 信号输出,低电平有效 | 
| 6 | OUTH | 信号输出,高电平有效 | 
| 7 | KEY3 | 触发开关3 | 
| 8 | GND | 电源负 | 
	 
 
主控推LED应用图参考
	 
 
*C2电容可根据电源实际需要调整或省略
六.封装尺寸图
	 
 
七.版本说明
	 
	 
						版本 
					 
						日期 
					 
						描述 
					 
						EH2730-A948 
					 
						2022/8/8 
					 
						V01初版 
					 
						  
					 
						  
					
		
			
 
				 
			
					 
				
					 
				
					 
			
				 
			
					 
				
					 
				
					 
			
				 
		
	
					 
				
					 
				
				 
			
	 
 
|   | 丽晶微芯片定制案例之遥控七彩潜水灯 深圳市某电子有限公司的李经理想开发一款遥控七彩闪灯IC芯片,用在户外七彩潜水灯产品上面,之前李先生找到其他芯片定制的公司,未能达到理想的功能要求,后来找到了丽晶微电子。在业务与李经理的详细沟通后了解到,其之前定制开发的样品经测试,芯片静态功耗太大.....查看详情》》 | 
|   | 丽晶微芯片定制案例之遥控电子蜡烛系列 惠州市某电子科技公司的刘经理想定制一批遥控电子蜡烛IC芯片,惠州市某电子公司专业研发生产销售室内电子蜡烛,室外电子蜡烛,遥控定时电子蜡烛等多种电子蜡烛系列产品。随着出口市场竞争压力越来越大,刘经理在与多家芯片定制的公司合作后.....查看详情》》 | 
	 
 
	 
 
	 
 
	 
 
 
 
		丽晶微创立于2002年,拥有一批技术精湛的的技术骨干,以及有着丰富经验的电路设计团队和专业创新能力高科技人才;工厂设备齐全,实力雄厚
 
 
		研发团队会根据您的需求,提供一整套按需定制的解决方案,在技术上保证产品品质、稳定性、可靠性,能更好的解决客户产品遇到的技术服务问题
 
 
		台湾资深程序设计师全程电路设计,每一线路的放置都考虑他的稳定可靠性,内置多重电路保护,微安级别的待机功耗;同时与QVC、PLG、迪斯尼等代工厂的芯片材料供应商强强联手
 
 
		完善服务体系,高效,优质的为客户提供全程技术跟踪服务;7*24小时贴心服务,免费提供技术指导,帮助客户解决产品问题,降低生产成本
	 
 
深圳市丽晶微电子科技有限公司
	作为早期成立的从事半导体器件设计制作的企业之一,专注从事模拟电路及数字模拟混合电路开发设计的高技术企业,
主要专业从事CMOS消费类IC:闪灯IC,音乐IC,语音IC,红外线遥控类,LED控制类驱动类、电源管理类集
成电路产品以及MCU类的设计研发和销售的企业,提供标准品类和客户委托开发MASK..... 
|  |