国产MCU方案开发 氛围灯芯片EC2406-4B05 红外遥控七彩拾音灯芯片 上电不工作,短按Key开机,默认七彩模式,再短按切换颜色依次为:红色、绿色、蓝色、七彩+爆闪灯、再回到七彩,依次循环,每一个模式下根据声音大小改变灯效,任何时候长按关机,短按开启回到七彩模式。
EC2406-4B05 红外遥控七彩拾音灯芯片
一、功能说明
上电不工作,短按Key开机,默认七彩模式,再短按切换颜色依次为:红色、绿色、蓝色、七彩+爆闪灯、再回到七彩,依次循环,每一个模式下根据声音大小改变灯效,任何时候长按关机,短按开启回到七彩模式。
OPT悬空取消爆闪灯功能,OPT接地有爆闪灯功能
爆闪灯分3种模式,通过遥控器按键切换。
遥控器(用户码00FF)功能如下:
“NO/OFF”键:总开关,有不断电记忆,默认七彩模式
“LIGHT”键:爆闪灯模式1 开/关
“灯光模式”键:爆闪灯模式2 开/关
“灯光模式”键:爆闪灯模式3开/关
“R”键:红色模式开/关
“G”键:绿色模式开/关
“B”键:蓝色模式开/关
“RGB”键:七彩模式开/关
遥控器所有模式都能单独开/关,不同颜色和爆闪灯3种模式可以任意组合;
遥控器上组合成“颜色+爆闪灯模式”,此时短按Key按键,取消爆闪保留颜色;
二、电气参数(VDD=5.0V TA=25℃)
工作电压:2.2V-5.5V;
工作电流:3mA;
静态电流:10uA;
驱动电流低电平输出:9mA;
驱动电流高电平输出:5mA;
工作温度:-10摄氏度-+80摄氏度;
储存温度:-20摄氏度-+100摄氏度;
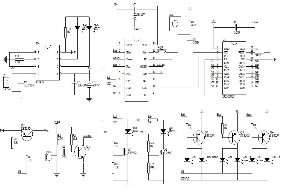
三、电路图参考:
四、封装尺寸图:(SOP-16)
五.版本说明:
版本
日期
描述
EC2406-5377
2024/12/12
V01初版
EC2406-4B05
2024/12/23
V02版
|
丽晶微芯片定制案例之遥控七彩潜水灯 深圳市某电子有限公司的李经理想开发一款遥控七彩闪灯IC芯片,用在户外七彩潜水灯产品上面,之前李先生找到其他芯片定制的公司,未能达到理想的功能要求,后来找到了丽晶微电子。在业务与李经理的详细沟通后了解到,其之前定制开发的样品经测试,芯片静态功耗太大.....查看详情》》 |
|
丽晶微芯片定制案例之遥控电子蜡烛系列 惠州市某电子科技公司的刘经理想定制一批遥控电子蜡烛IC芯片,惠州市某电子公司专业研发生产销售室内电子蜡烛,室外电子蜡烛,遥控定时电子蜡烛等多种电子蜡烛系列产品。随着出口市场竞争压力越来越大,刘经理在与多家芯片定制的公司合作后.....查看详情》》 |
丽晶微创立于2002年,拥有一批技术精湛的的技术骨干,以及有着丰富经验的电路设计团队和专业创新能力高科技人才;工厂设备齐全,实力雄厚
研发团队会根据您的需求,提供一整套按需定制的解决方案,在技术上保证产品品质、稳定性、可靠性,能更好的解决客户产品遇到的技术服务问题
台湾资深程序设计师全程电路设计,每一线路的放置都考虑他的稳定可靠性,内置多重电路保护,微安级别的待机功耗;同时与QVC、PLG、迪斯尼等代工厂的芯片材料供应商强强联手
完善服务体系,高效,优质的为客户提供全程技术跟踪服务;7*24小时贴心服务,免费提供技术指导,帮助客户解决产品问题,降低生产成本
深圳市丽晶微电子科技有限公司
作为早期成立的从事半导体器件设计制作的企业之一,专注从事模拟电路及数字模拟混合电路开发设计的高技术企业,
主要专业从事CMOS消费类IC:闪灯IC,音乐IC,语音IC,红外线遥控类,LED控制类驱动类、电源管理类集
成电路产品以及MCU类的设计研发和销售的企业,提供标准品类和客户委托开发MASK.....
|
|


