EY412-A07E50 复位开关芯片短按输出1秒
一.功能说明
EY412-A07E50短按开关延时1秒复位芯片;
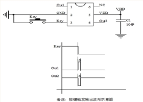
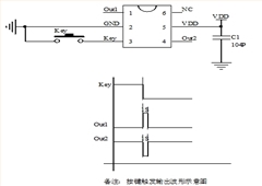
轻触开关Key控制二路输出Out1、Out2;
上电Out1输出低电平,Out2输出高电平;短按Key,Out1输出1秒高脉冲,Out2输出1秒低脉冲,后恢复上电初始状态,中间触发按键无效。
二.电气参数(VDD=3.0V TA=25℃)
三.封装脚位图(SOT23-6)
四.参考电路图
五.封装尺寸图(SOT23-6)
六.版本说明


12/24小时延时复位芯片
EY408长按3秒延时0.5秒开关芯片
EY410短按输出1.6秒复位IC
BC64延时复位芯片
BC86复位检测芯片
ES526-FF7146长按10秒输出1.2秒复位芯片
ECJ22163长按10秒延时复位芯片
电话咨询
产品中心
联系丽晶微
网站地图