ES526-FF7146长按10秒输出1.2秒延时复位芯片
一.功能说明:
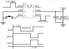
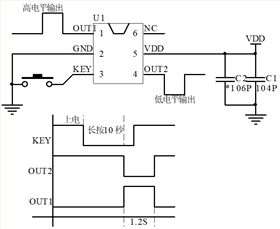
轻触开关Key控制二路输出Out1、Out2;
上电Out1输出低电平,Out2输出高电平;长按10秒Key,Out1输出1.2秒高脉冲,Out2输出1.2秒低脉冲,后恢复上电初始状态,中间触发按键无效。
二.电气参数(VDD=5.0VTA=25℃)
工作电压:2.2V-5V;
工作电流:0.5mA;
静态电流:5uA;
驱动电流低电平输出:15mA
驱动电流高电平输出:10mA
过VDD极限电流:50mA
过GND极限电流:50mA
工作温度:-10摄氏度-+65摄氏度;
储存温度:-20摄氏度-+100摄氏度;
四.封装尺寸图(SOT23-6)
五.版本说明


12/24小时延时复位芯片
EY412短按开关输出1秒复位IC
EY408长按3秒延时0.5秒开关芯片
EY410短按输出1.6秒复位IC
BC64延时复位芯片
BC86复位检测芯片
ECJ22163长按10秒延时复位芯片
电话咨询
产品中心
联系丽晶微
网站地图