EH4B03-B118工业级秒定时器芯片
一.功能说明
EH4B03是一款工业级定时芯片,多应用于工业设备,手持仪器,户外对芯片要求较高的电子产品上面;封装为SOT23-6小封装;
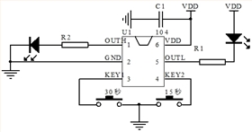
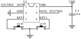
两路按键输入控制,两路电平信号同步输出:一路OUTH高电平输出、一路OUTL低电平输出。
上电不工作,OUTH为低电平,OUTL为高电平,短按按键开始计时OUTH输出高电平、OUTL输出低电平,计时结束电平信号翻转。中途触发停止计时输出信号翻转。
KEY1:短按开启30秒定时。
KEY2:短按开启15秒定时。
二.极限参数
Absolute Maximum Ratings
Voltage applied at VDD to VSS ....................................................................- 0.3V to 6.0V
Voltage applied at any pin to VSS.................................................................- 0.3V to VDD+0.3V
Operating ambient temperature................................................................-40°C to 85°C
Storage ambient temperature .................................................................. -40°C to 125°C
三.电气参数
四.封装脚位图
主控推LED应用图参考
*C2电容可根据电源实际需要调整或省略
六.封装尺寸图
七.版本说明


40秒定时芯片SOT23-6
5/10/15/30秒定时芯片
10/25秒定时芯片
EH5704 5秒延时芯片
电话咨询
产品中心
联系丽晶微
网站地图