ECH211030-1422-BED7 5-10-15-30秒定时器芯片
一、功能说明:
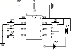
四路按键输入控制,两路电平信号同步输出:一路OUTH高电平输出、一路OUTL低电平输出,(可二选一)。
上电不工作,OUTH为低电平,OUTL为高电平,短按按键开始计时OUTH输出高电平、OUTL输出低电平,计时结束电平信号翻转。中途触发停止计时输出信号翻转。
KEY1:短按开启10秒定时。
KEY2:短按开启30秒定时。
KEY3:短按开启15秒定时。
KEY4:短按开启5秒定时。
二、电气参数(VDD=5.0V TA=25℃)
三、封装脚位图(SOP-8)
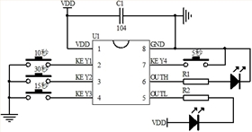
四、电路图参考
主控接LED应用图
五、封装尺寸图(SOP-8)
六、版本说明



电话咨询
产品中心
联系丽晶微
网站地图