用“芯”服务丽晶微15年专注于ASIC行业

首页 秒定时IC

40秒定时芯片SOT23-6

40秒定时芯片SOT23-640秒定时芯片SOT23-6

产品简介

265F-BED7 40秒定时芯片 一、功能说明 供电方式:1.5V *3颗AG13电池串联供电,供电电压2.7~4.5V。一路按键输入控制,一路LED输出。 上电不工作,触发按键开始40秒定时工作,40秒后停止。中途触发有效,重新开始计时。

产品详情

265F-BED740秒定时芯片

一、功能说明

供电方式:1.5V*3颗AG13电池串联供电,供电电压2.7~4.5V。一路按键输入控制,一路LED输出

上电不工作,触发按键开始40秒定时工作,40秒后停止中途触发有效重新开始计时

二、电气参数(VDD=5.0V TA=25℃)

三、封装脚位图(SOT23-6

40秒定时IC

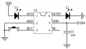
四、电路图参考
触发延时芯片

五、封装尺寸图SOT23-6

SOT23-6封装尺寸图

六、版本说明

我要下单

  • 姓名
  • 手机
  • 留言

网友热评

返回顶部