LED触摸调光台灯控制电路板
一款美观实用的台灯堪称书桌上的艺术品,看着书桌上精致美观的台灯,可能还会增加一些阅读的乐趣吧。那么触摸开关台灯的工作原理到底是怎么的呢?

两按键触摸调光电路板工作原理:
一、两按键触摸调光电路板,触摸芯片工作电压2.4-5.5V。输入也可用3.7V锂电池供电,USB充电,充电带有过充过放保护。这款触摸线路板适用于触摸类台灯和触摸类LED化妆镜等小家电的生产。
二、共有2路LED输出,两个触摸按键分别控制两路灯光,触摸ON/OFF和无极调光功能。短按触摸开关功能 ,长按触摸无极调光。两个按键独立工作,互不干扰。
三、上电不工作,触摸按键K1打开LED1亮,初始亮度默认 50%。工作时长按无极调光,一次长按增加亮度,一次长按减小亮度,短按关。触摸按键K2功能和K1相同。
触摸开关线路板主控芯片采用EC022W,芯片功能稳定,抗干扰能力强,触摸灵敏度高,可根据触摸介质厚度的不同进行调整。触摸介质适用范围宽,适用于亚克力、木材、玻璃、金属等。介质厚度可达6mm。
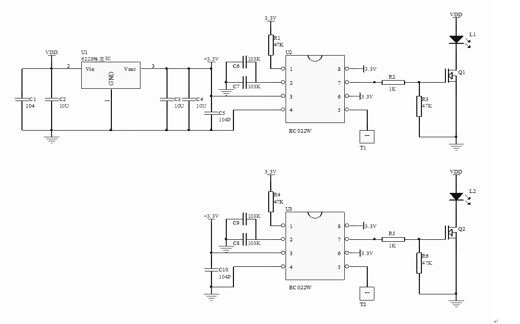
触摸开关电路板参考电路图:
深圳市丽晶微电子科技有限公司,专注从事触摸PCBA定制,电路板、线路板定制,LED触摸化妆镜线路板,LED触摸台灯线路板,大小批量生产定制,自助开发。