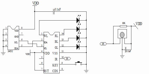
带记忆的遥控 光控七彩闪灯IC芯片,主控IC输入电压2.2-5.5V,红外遥控控制,有光电感
应功能,见光不亮,没有光时自动工作,LED工作模式有断电记忆功能。还有一个手动控制按
键,功能同遥控器,有4路输出,分别是白色,红色,蓝色,绿色LED。
1.2V可充电池,白天太阳能充电不工作,晚上才工作,白天按手动按键和遥控器都没作用。
产品在晚上会自动初始开机为默认为断电前的工作模式,就是有断电记忆功能。LED共有6个工
作模式,模式如下:产品在关机不工作的时候,
第1次按遥控器按键(或者产品上按钮)LED灯颜色为白色。
第2次按遥控器按键(或者产品上按钮)LED灯颜色为红色。
第3次按遥控器按键(或者产品上按钮)LED灯颜色为绿色)。
第4次按遥控器按键(或者产品上按钮)LED灯颜色为蓝色 。
第5次按遥控器按键(或者产品上按钮)4种颜色(白、红、绿、蓝,每10秒钟转变颜色)变化。
第6次按遥控器按键(或者产品上按钮)LED都不工作,产品关机。
深圳市丽晶微电子科技,15年来,专注于定时IC芯片,闪灯IC芯片,触摸IC芯片和小家电
类产品IC芯片的方案定制。公司开发的循环定时芯片大量应用于电子蜡烛灯产品,开发的多款
触摸开关电路板,触摸调光电路板,触摸台灯PCBA,被客户广泛用于触摸台灯和触摸LED化妆镜
的生产中。咨询电话:0755-29100085。