B6A8-5DC9汽车灯转向灯IC
一.功能说明:
供电方式:DC12V
1、按下日行灯 KEY1,打开日行灯(LEDW)
2、按下KEY2,LED1~LED5跑马灯闪烁
3、KEY1/KEY2同时按下,LED1~LED5跑马灯闪烁
二.电气参数(VDD=5.0V TA=25℃)
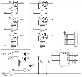
三.电路图参考
四.封装尺寸图

五.版本说明
B6A8-5DC9汽车灯转向灯IC
一.功能说明:
供电方式:DC12V
1、按下日行灯 KEY1,打开日行灯(LEDW)
2、按下KEY2,LED1~LED5跑马灯闪烁
3、KEY1/KEY2同时按下,LED1~LED5跑马灯闪烁
二.电气参数(VDD=5.0V TA=25℃)
三.电路图参考
四.封装尺寸图

五.版本说明