EH211117-3DFE-B487 1-2-4-8小时定时器芯片
一、功能说明:
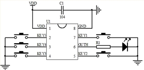
五路按键输入控制,一路信号高电平输出。上电不工作,OUTH为低电平。
KEY1键:ON/OFF功能,短按一下开,再短按一下关,无定时。
KEY2键:ON/OFF功能,短按一下开定时1小时,1小时后自动关。中途触发立即关。
KEY3键:ON/OFF功能,短按一下开定时2小时,2小时后自动关。中途触发立即关。
KEY4键:ON/OFF功能,短按一下开定时4小时,4小时后自动关。中途触发立即关。
KEY5键:ON/OFF功能,短按一下开定时8小时,8小时后自动关。中途触发立即关。
二、电气参数(VDD=5.0V TA=25℃)
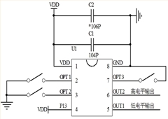
三、封装脚位图(SOP-8)
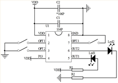
主控接LED应用图
五、封装尺寸图(SOP-8)
六、版本说明


EH3B05延时0.5-1-3秒开机芯片
9E80-5177 60秒延时芯片
ECJ5031 4-5秒定时芯片
ECJ5040 60-90-120秒定时芯片
EH3501延时芯片
电话咨询
产品中心
联系丽晶微
网站地图