ECJ22091-705ED6长按1.5秒电源开关芯片
一.功能说明
工作电压:DC2.4-5.0V。一路按键输入控制,两路高电平同步输出(可二选一)。
上电负载不工作,OUT1 OUT2为低电平。长按按键1.5秒开机,OUT1 OUT2输出高电平,再长按按键1.5秒关机,OUT1、OUT2输出是低电平。
封装方式为SOT23-6小封装,低功耗;
二.电气参数(VDD=5.0V TA=25℃)
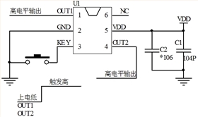
三.封装脚位图(SOT23-6)
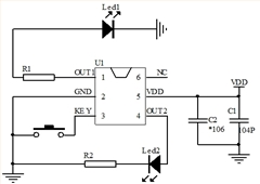
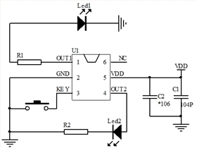
四.参考电路图
主控推LED应用图:
*C2电容可根据电源实际需要调整或省略
五.封装尺寸图(SOT23-6)
六.版本说明


ES5915长按1.5秒开关机芯片
电话咨询
产品中心
联系丽晶微
网站地图