ES5915-654852长按1.5秒开关机芯片
一.功能说明:
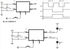
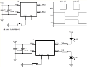
供电范围:DC2.0-5.0V。轻触按键输入两路信号同步输出:OUTH高有效、OUTL低有效。
上电OUTL为高电平、OUTH为低电平,长按KEY键1.5秒,OUTH输出高电平,OUTL输出低电平,再次长按KEY键1.5秒关机,OUTH翻转为低电平,OUTL翻转为高电平。
二.电气参数(VDD=5.0VTA=25℃)
工作电压:2.0V-5.0V;
工作电流:1uA;
静态电流:1uA;
驱动电流低电平输出:15mA;
驱动电流高电平输出:10mA;
工作温度:-10摄氏度-+60摄氏度;
储存温度:-25摄氏度-+125摄氏度;
-
*C2电容可根据电源实际需要调整或省略
五.封装尺寸图(SOT23-6)
六.版本说明


两路长按1.5秒开关IC
电话咨询
产品中心
联系丽晶微
网站地图