ET2102-EAB1触摸调光芯片
一、功能说明
供电方式:DC3.7V 18650电池。触摸输入控制一路LED高电平输出。上电LED不工作。
触摸一下:LED-30%亮度。
再触摸一下:LED-60%亮度。
再触摸一下:LED-100%亮度。
再触摸一下:灭,依次循环。
长按无极调光,依次长按加/减。
二、电气参数(VDD=5.0V TA=25℃)
工作电压:2.5V-5.5V;
工作电流:2mA;
静态电流:9uA;
驱动电流低电平输出:25mA;
驱动电流高电平输出:15mA;
工作温度:-20摄氏度-+60摄氏度;
储存温度:-40摄氏度-+125摄氏度;
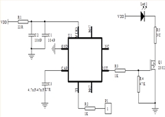
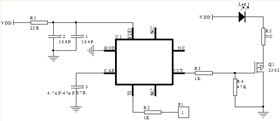
三、电路图参考:
四、封装尺寸图:
五.版本说明:


EH4A05单双色触摸调光芯片
0008-9EF6触摸调光延时芯片
电话咨询
产品中心
联系丽晶微
网站地图