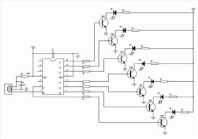
红外遥控流水闪灯IC芯片,工作电压2.4-5.5V,控制分接收和发射两部分。一直工作,没有定
时功能。闪灯IC共有7路LED灯输出,有常亮和闪烁两种工作模式。上电LED常亮工作,这时按ON按
键L1-L7 流水闪,再按ON按键,LED常亮,如此循环。
闪灯芯片的发射部分,遥控器上面有2个按键,按键ON和按键OFF。按键ON:当OFF状态时,按一下
打开常亮,再按一下流水闪,再按下常亮,如此循环。按键OFF: 当ON状态时按一下LED灭,待机。
静态电流低,低至5UA。遥控器红外发射码,用户码807F,按键码值:按键ON=02,按键OFF=08。

电位器调光板,旋钮调光控制板
双色温台灯线路板
循环定时蜡烛芯片,8小时开16小时关
电话咨询
产品中心
联系丽晶微
网站地图