EH4705-3C33-1B89三路循环定时芯片
一、功能说明
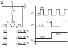
工作电压范围DC2.0V-DC3.6V,一路轻触开关控制,3路输出,上电输出低,PIN5-OUT1输出10分钟后转为高输出5分钟后再转为低输出一直循环。PIN6-OUT2,20分钟低--10分钟高----20分钟低---10分钟高---一直循环,PIN7-OUT3输出30分钟低--30分钟高----30分钟低---30分钟高---一直循环。
二、极限参数
三、电气参数(VDD=5.0V TA=25℃)
四、封装脚位图(SOP-8)
五、PIN引脚说明及功能描述
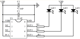
六、电路参考图
接LED电路
七、封装尺寸图(SOP-8)
八、版本说明


6开18关循环定时芯片SOT23-6
C9DC-5FE5 灭蚊灯循环定时芯片
EH4A02循环定时芯片
EC241209 6开18关循环定时芯片
EC211227 高精度循环定时芯片
EH5304 10分钟开30分钟关循环定时芯片
电话咨询
产品中心
联系丽晶微
网站地图