EH2916-B8E6长按1秒开关机芯片
一.功能说明
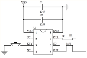
供电方式:DC2.4-5.0V输入。两路输入控制一路输出。
上电OUT为低电平,KEY键:长按1秒开机,OUT输出0.5S高电平,同时7脚KILL开始进入检测状态,如果在OUT输出的0.5S时间内有高电平输入到7脚KILL,则OUT继续保持高电平输出。如在0.5S内无高电平输入到7脚KILL,则OUT反转为低电平进入关机状态。
OUT输出高电平过程中,长按KEY键10秒或7脚KILL高电平消失则进入关机。
二.极限参数Absolute Maximum Ratings
Voltage applied at VDD to VSS .........................................................- 0.3V to 6.0V
Voltage applied at any pin to VSS......................................................- 0.3V to VDD+0.3V
Operating ambient temperature.....................................................-40°C to 85°C
Storage ambient temperature ........................................................ -40°C to 125°C
三.电气参数
工作电压:2.4V-5.0V;
工作电流:3.7uA;
静态电流:3.7uA;
驱动电流低电平输出:15mA;
驱动电流高电平输出:10mA;
工作温度:-40摄氏度-+85摄氏度;
储存温度:-40摄氏度-+125摄氏度;
*C2电容可根据电源实际需要调整或省略
五.封装尺寸图
六.版本说明:


低功耗一键开关机芯片
超低功耗长按1-3秒开关IC
EC8D-01B轻触按键开关IC
EC3201A轻触开关芯片
EH3808长按3秒开关机芯片
EH3809长按2秒开关机芯片
EH3810长按1秒开关机芯片
EH5202长按5秒开关机
长按1-3-5秒开关机芯片
电话咨询
产品中心
联系丽晶微
网站地图