A209-588B触发开关IC
一.功能说明
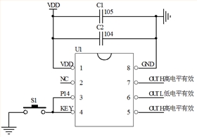
一个按键输入,三路输出:OUT1、OUT2、OUT3
上电不工作,OUT1为低电平,OUT2为高电平、OUT3为低电平
长按一秒开机,OUT1为高电平,OUT2为低电平、OUT3为低电平
长按3秒关机,OUT1为低电平,OUT2为高电平、OUT3为低电平
开机中短按按键拍照功能,OUT1一直高电平,OUT2为低电平、OUT3输出0.5S高电平之后转为低电平,中途触发有效,0.5S内短按触发再延时0.5S
二.电气参数(VDD=5.0V TA=25℃)
三.脚位图(SOP-8)
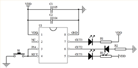
四. 参考电路图:
接LED应用图
五:封装尺寸图(SOT23-6)
深圳市丽晶微电子科技有限公司,专注于长按开关机IC,一键开关机芯片,长按1秒开机 长按3秒关机开关IC芯片,触发按键开关IC芯片方案开发,咨询热线:0755-29100085


电子开关IC
CS2130单键开关IC
9B49-44C3耳机触发开关IC
长按1秒开关芯片
长按5秒开关机芯片
电话咨询
产品中心
联系丽晶微
网站地图