A4EB-5696墙壁5路触发开关IC
一.功能说明
供电方式:3.3V
上电不工作,五路锅仔片按键输入,五路电平信号输出;第一次上电无触发默认输出是低电平,触发工作后是高电平。引脚接收到输入信号后,对应的输出引脚信号电平翻转,原输出低电平,则接收到按键后输出高电平。
5路触发开关分别控制5路输出。
二.电气参数(VDD=5.0V TA=25℃)
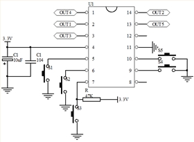
三.电路图参考
四.封装尺寸图

五.版本说明
深圳市丽晶微电子科技有限公司,专注于墙壁按键电子开关芯片,5路触发开关IC,多路按键开关芯片,ON/OFF电子开关IC芯片厂家,咨询热线:0755-29100085

电话咨询
产品中心
联系丽晶微
网站地图