在现代便携式照明设备中,调光控制芯片扮演着至关重要的角色。EH4311-3340-24DF作为一款专为补光灯、露营灯等场景设计的两键调光芯片,以其简洁的操作逻辑和稳定的电气性能,成为众多照明产品开发者的首选方案。这款SOP-8封装的芯片集成了智能调光功能,仅需两个按键即可实现多档亮度调节,为终端用户带来便捷的使用体验。
从功能实现来看,EH4311-3340-24DF采用了直观的渐进式调光设计。芯片上电即进入工作状态,默认输出80%占空比的高电平PWM信号,这种初始设置既保证了照明设备的即开即用,又避免了全亮状态可能造成的眩目不适。其调光逻辑设计科学合理:"+"键负责亮度递增,短按可依次切换40%、60%、80%、100%四档亮度;"-"键则实现亮度递减,按80%、60%、40%、关闭的顺序逐步降低亮度。特别值得注意的是,芯片内置了智能边界判断功能,当亮度达到100%时"+"键操作无效,完全关闭时"-"键操作无效,这种设计有效防止了无效操作,提升了用户体验。
在电气特性方面,EH4311-3340-24DF展现出优异的性能参数。2.4-5V的宽工作电压范围使其能够适配多种电源方案,无论是单节锂电池还是3节干电池供电系统都能稳定工作。0.3mA的工作电流和仅3uA的静态电流表现,充分体现了其低功耗特性,这对于依赖电池供电的便携式照明设备尤为重要。驱动能力方面,芯片提供10mA的低电平输出和6mA的高电平输出,足以驱动常见的LED负载。工作温度范围覆盖-10°C至+75°C,储存温度支持-20°C至+100°C,确保了在各种环境条件下的可靠运行。
从应用场景来看,这款调光开关芯片特别适合需要多档调光的便携照明产品。在补光灯应用中,摄影师可以通过简单的按键操作快速调整光线强度,捕捉理想的光影效果;露营爱好者则能根据环境光照需求,灵活调节灯光亮度,既满足照明需要又节省电力。相比传统的电位器调光方案,EH4311-3340-24DF提供的数字式调光更加精确可靠,且不受机械磨损影响,大大延长了产品的使用寿命。
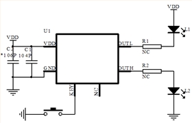
在电路设计方面,该芯片的外围电路极为简洁。典型的应用电路只需配备少量阻容元件即可工作,这大大降低了系统复杂度和生产成本。SOP-8封装形式既节省PCB空间,又便于自动化贴片生产,符合现代电子产品小型化、高集成度的发展趋势。设计者还需注意,在实际应用中应确保按键信号干净稳定,避免抖动干扰导致误操作;同时要根据驱动LED的数量和规格,合理设计驱动电路,必要时可增加晶体管或MOS管进行电流放大。
与市场上同类调光芯片相比,EH4311-3340-24DF在性价比方面具有明显优势。其四档调光设计满足了大多数应用场景的需求,避免了过于复杂的调光档位造成的操作困扰。芯片的稳定性和抗干扰能力经过市场验证,在各类照明产品中表现可靠。对于追求产品差异化的开发者,还可以通过调整PWM频率或结合光学设计,创造出独特的灯光效果,提升产品附加值。
从技术发展趋势看,这类专用调光芯片正朝着更智能化、更节能化的方向发展。虽然EH4311-3340-24DF目前采用简单的按键控制方式,但未来可能会集成蓝牙或Wi-Fi等无线控制功能,实现手机APP远程调控。同时,随着LED技术的进步,调光芯片也需要不断提升驱动效率和精度,以适应更高性能的照明需求。不过在当前阶段,对于大多数常规调光应用而言,EH4311-3340-24DF已经提供了完善而经济的解决方案。
在实际使用中,开发者需要注意几个关键点:电源电压应稳定在指定范围内,避免过高电压导致芯片损坏;PCB布局时应将大电流走线适当加宽,减少线路损耗;在高温环境下使用时,需考虑适当的散热措施。对于终端用户而言,正确的操作方法是短按按键进行调光,避免长按造成非预期效果。这些细节的把控将直接影响产品的最终表现和用户体验。
综合来看,EH4311-3340-24DF两键调光芯片以其简洁实用的功能设计、稳定可靠的电气性能以及极高的性价比,为便携式照明产品提供了理想的调光解决方案。无论是用于补光灯、露营灯还是其他需要调光功能的照明设备,这款芯片都能帮助开发者快速实现产品功能,缩短开发周期,降低生产成本。随着人们对便携照明需求的不断增加,这类专用调光芯片必将发挥更加重要的作用,推动整个行业向更高效、更智能的方向发展。

电位器调光板,旋钮调光控制板
双色温台灯线路板
循环定时蜡烛芯片,8小时开16小时关
电话咨询
产品中心
联系丽晶微
网站地图