在现代户外露营和应急照明设备中,智能控制芯片扮演着核心角色。EC24026-V03-948767露营警报灯芯片作为一款高度集成的解决方案,以其多功能、低功耗和紧凑设计,成为露营警报灯、警示灯方案及手电筒等产品的理想选择。本文将深入解析该芯片的功能特性、电气参数以及应用场景,帮助开发者全面了解其技术优势。
一、功能说明:灵活控制与多模式输出
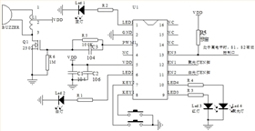
该芯片采用DC5V供电,通过两个轻触按键(KEY1、KEY2)实现五路输出的智能控制,包括聚光灯、白灯、红灯、蓝灯及喇叭输出。其控制逻辑设计兼顾便捷性与功能性:
1. KEY1键的多级控制
短按循环模式:依次触发聚光灯→白灯→红蓝警示灯交替闪烁→关闭的循环,满足基础照明与警示需求。红蓝交替闪烁模式特别适用于紧急信号提示,符合国际通用警示标准。
长按SOS功能:长按激活聚光灯SOS求救信号(三短三长三闪的莫尔斯码),再次长按关闭,为户外遇险场景提供关键救援支持。
2. KEY2键的声光联动
短按切换警报声的启停,支持与灯光模式独立或组合使用,增强警示效果。例如,在红蓝灯闪烁时同步启动警报声,可显著提升夜间露营的安全防护能力。
3. 上电待机设计
芯片默认上电不工作,有效避免误触发电量损耗,配合5μA超低静态电流,大幅延长电池续航时间,适合长期户外使用。
二、电气参数:低功耗与高可靠性
在VDD=5.0V、环境温度25℃条件下,该芯片展现出优异的电气性能:
宽电压支持:2.0V-5.0V工作范围,兼容锂电池、镍氢电池等多种电源方案,适应不同设备设计需求。
能效优化:工作电流仅3mA,驱动电流22mA(可外接三极管/MOS管扩展),平衡功耗与输出能力。静态电流低至5μA,显著降低待机能耗。
环境适应性:工作温度0℃~70℃,储存温度-25℃~85℃,确保严寒或高温环境下的稳定性,适合户外极端条件。
三、封装与应用设计
户外露营灯芯片采用SOP-16封装,体积小巧(典型尺寸约10mm×5mm),便于集成到紧凑型设备中。开发者可通过以下方案优化设计:
1. 驱动扩展:通过外接MOS管(如AO3400)提升大功率LED或喇叭的驱动能力,满足高亮度照明需求。
2. 电源管理:搭配HT7333低压差稳压芯片,实现输入电压的稳定转换,延长电池寿命。
3. 防水结构:结合轻触按键的IP67防护设计,增强露营灯在雨雪天气中的可靠性。
四、典型应用场景
1. 露营警报灯
红蓝警示灯与警报声联动,驱赶野生动物或发送求救信号;SOS模式为登山、探险提供安全保障。
2. 车载应急灯
宽电压支持可直接连接车载电源,事故时快速启动闪烁警示,减少二次碰撞风险。
3. 便携式手电筒
聚光灯与白光模式切换满足日常照明,超低功耗设计支持长达数月的待机时间。
五、开发建议与注意事项
PCB布局:将芯片靠近按键和LED放置,缩短走线以减少干扰。
散热设计:长时间驱动大电流负载时,需为外接MOS管添加散热片。
EMC优化:在电源输入端并联100μF电容,抑制电压波动对芯片的影响。
结语
EC24026-V03-948767户外警示灯芯片通过高度集成的功能设计和卓越的电气性能,为户外照明与安防设备提供了可靠的核心控制方案。其灵活的交互逻辑和低功耗特性,尤其适合需要长期续航与多模式切换的应用场景。开发者可结合具体需求扩展外围电路,快速实现产品化设计,满足日益增长的户外安全与应急照明市场需求。

电位器调光板,旋钮调光控制板
双色温台灯线路板
循环定时蜡烛芯片,8小时开16小时关
电话咨询
产品中心
联系丽晶微
网站地图